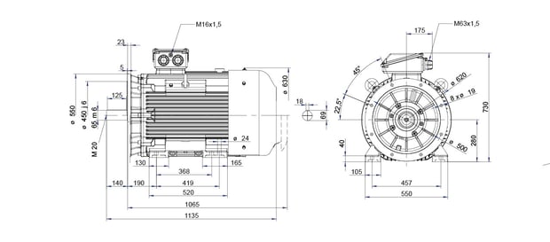
2SIE - 3SIE - 280 - S2; M2 B3B5
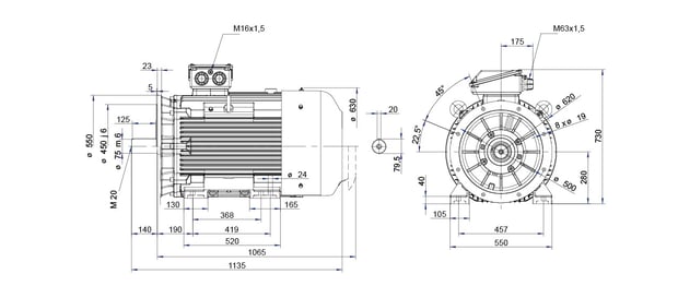
2SIE - 3SIE - 280 - S4; M4; S6; M6 B3B5
Fox-Drive AG Pünten 4 - 8602 Wangen ZH
Tel. +41 44 936 70 40
info@fox-drive.ch