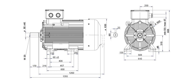
2SIE - 3SIE - 315 - S2; MA2 ; MB2 B3
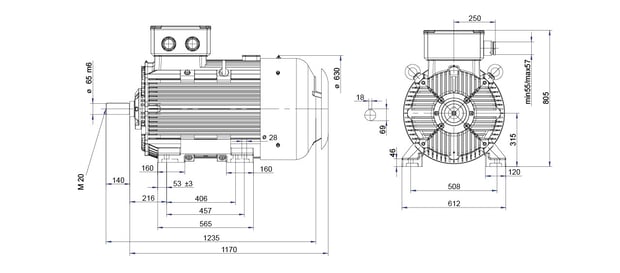
2SIE - 3SIE - 315 - S4; MA4; MB4; S6; MA6 B3
2SIE - 3SIE 315 - MB6 B3
Fox-Drive AG Pünten 4 - 8602 Wangen ZH
Tel. +41 44 936 70 40
info@fox-drive.ch