Download
STEP.Datei 2SIEK 160-M
2SIEK160M2A,2B,4,6.STEP.zip
Komprimiertes Archiv im ZIP Format 36.1 MB

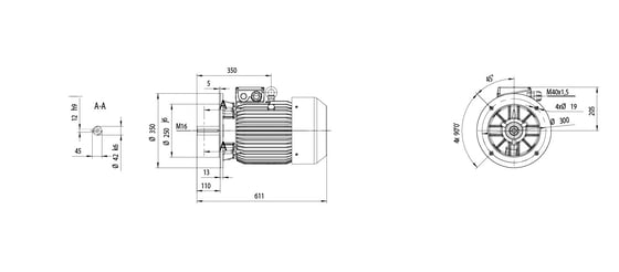
2SIE - 160 - MA2; MB2; M4; M6 B5

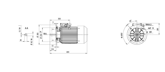
2SIE - 160 - L2; L4; L6 B5

2SIE - 160 - LA2 B5